中文

QLM-40A

  • MK平台_MK(中国)一站式服务平台图片
  • MK平台_MK(中国)一站式服务平台图片
  • MK平台_MK(中国)一站式服务平台图片
  • MK平台_MK(中国)一站式服务平台图片

MK平台_MK(中国)一站式服务平台简介

QLM系列全向轮(omni wheel)提供最大2000千克的负载能力,同时保持了很高的精度标准。采用专利技术的轮毂一体成型工艺,最大限度发挥了材料的力学性能。从动轮表面材质可选橡胶或聚氨酯,能够适应不同的使用要求。QLM全系列MK平台_MK(中国)一站式服务平台采用滚动轴承设计,在平稳性、静音性、可靠性、全向性上都有很好的表现,能够适应室内及室外的应用场合。

图纸下载 | QLM-40ACN 图纸下载 | QLM-40ACN

MK平台_MK(中国)一站式服务平台特性

  • 轮毂一体成型,高强度、高刚性
  • 滚动轴承设计
  • 负载能力覆盖0~2000kg
  • 工业级品质

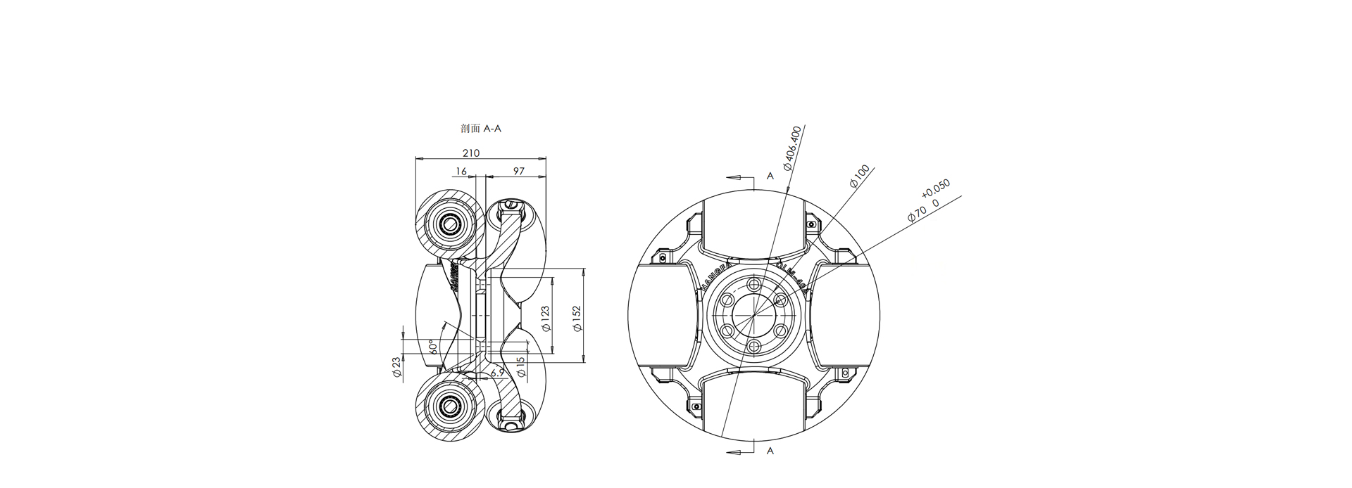
外形尺寸

MK平台_MK(中国)一站式服务平台外形尺寸

规格参数

外径 406.4mm 宽度 210mm
侧轮数 8 轴承数 16
轴承类型 重载滚动轴承 小轮材质 聚氨酯
轮毂材质 轮毂表面处理 双层高温烤漆
连接形式 法兰 典型中心孔 70mm
自重 53Kg 负载能力 1600Kg
外径 406.4mm
侧轮数 8
轴承类型 重载滚动轴承
轮毂材质
连接形式 法兰
自重 53Kg
宽度 210mm
轴承数 16
小轮材质 聚氨酯
轮毂表面处理 双层高温烤漆
典型中心孔 70mm
负载能力 1600Kg